1.8°Größe 28mm(11H) Schrittmotor mit Kugelumlaufspindel
$0.00
Technischer Parameter

- Beschreibung
Beschreibung
Anwendung
Textile machinery, engraving machine
Sicherheit, 4g antenna, solar energy
Medizinische Geräte, industrial automation
Automobile, office automation
Printing equipment, advertising equipment etc.
Technical Specification:

Ball Screw Specifications and Length

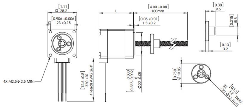
28 Ball Screw Stepper motor Dimension

Ball Screw Nut 0601

Ball Screw Nut 0602

Ball Screw Nut 0802













