DSP57
$0.00
Drive 4 – wire, 8 – wire two – phase stepper motor
Voltage input range: 20-60VDC
Current maximum: 4.2A
Subdivision range: 400~25000ppr
Signal input: differential/single end, pulse/direction or double pulse, 5-24vdc level compatible
Pulse response frequency: 200KHz
Automatic setting of power on parameters
Precision current control reduces the heating of the motor
- Beschreibung
Beschreibung
Electrical index

Stromschnittstelle

Driver signal mode setting

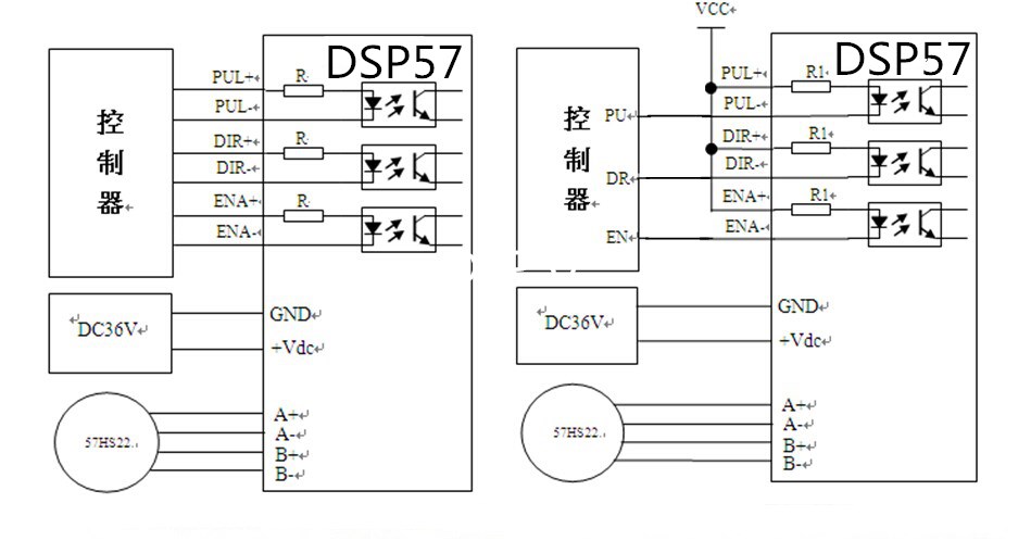
Driver Wiring Diagram


















