IB/IBR-Reduzierer
Der Abtriebsplanetenträger des Untersetzungsgetriebes verfügt über eine integrierte Mutter, um das Axialspiel zu eliminieren. Die vorderen und hinteren Lager sind in einem großen Bereich innerhalb des integrierten Kastenkörpers verteilt, Es bildet eine superstarke integrierte Struktur, um eine hohe Torsionssteifigkeit zu gewährleisten, Superstarke Radialbelastung – Tragfähigkeit und hervorragende Axiallast – Tragfähigkeit. Der Eine – Der Zeitverarbeitungs- und Fertigstellungsprozess wird übernommen, um eine extrem hohe Koaxialität sicherzustellen.
- Beschreibung
Beschreibung
IB-Kernfunktionen
Umfassende Leistungsparameter von IB Reducer
| Spezifikation | Anzahl der Abschnitte | Untersetzungsverhältnis | IB042 | IB060 | IB090 | IB115 | IB142 | IB180 | IB220 |
|---|---|---|---|---|---|---|---|---|---|
| 3 | 13 | 35 | 100 | 190 | 440 | 743 | 2042 | ||
| 4 | 18 | 50 | 120 | 250 | 770 | 1780 | 2967 | ||
| 5 | 17 | 45 | 115 | 245 | 635 | 1152.5 | 2062 | ||
| 6 | 12 | 40 | 105 | 240 | 500 | 820 | 1760 | ||
| 8 | 12 | 38 | 95 | 210 | 450 | 800 | 1350 | ||
| 10 | 12 | 32 | 86 | 196 | 400 | 710 | 1300 | ||
| Nenndrehmoment T₂N | 1 | 9 | 13 | 35 | 100 | 190 | 440 | 743 | 2042 |
| 12 | 18 | 50 | 120 | 250 | 770 | 1780 | 2967 | ||
| 15 | 17 | 45 | 115 | 245 | 635 | 1152.5 | 2062 | ||
| 16 | 18 | 50 | 120 | 250 | 770 | 1780 | 2967 | ||
| 20 | 18 | 50 | 120 | 250 | 770 | 1780 | 2967 | ||
| 2 | 25 | 17 | 45 | 115 | 245 | 635 | 1152.5 | 2062 | |
| 30 | 17 | 45 | 115 | 245 | 635 | 1152.5 | 2062 | ||
| 32 | 18 | 50 | 120 | 250 | 770 | 1780 | 2967 | ||
| 40 | 17 | 45 | 115 | 245 | 635 | 1152.5 | 2062 | ||
| 50 | 17 | 45 | 115 | 245 | 635 | 1152.5 | 2062 | ||
| 64 | 12 | 38 | 95 | 210 | 450 | 800 | 1350 | ||
| 80 | 12 | 38 | 95 | 210 | 450 | 800 | 1350 | ||
| Maximales Beschleunigungsmoment T₂B | 1.8*T2N (1.8 mal das Nenndrehmoment) | 1.8*T2N (1.8 mal das Nenndrehmoment) | 1.8*T2N (1.8 mal das Nenndrehmoment) | 1.8*T2N (1.8 mal das Nenndrehmoment) | 1.8*T2N (1.8 mal das Nenndrehmoment) | 1.8*T2N (1.8 mal das Nenndrehmoment) | 1.8*T2N (1.8 mal das Nenndrehmoment) | 1.8*T2N (1.8 mal das Nenndrehmoment) | |
| Notstopp-DrehmomentT2NOT | 3*T2N (3 mal das Nenndrehmoment) | 3*T2N (3 mal das Nenndrehmoment) | 3*T2N (3 mal das Nenndrehmoment) | 3*T2N (3 mal das Nenndrehmoment) | 3*T2N (3 mal das Nenndrehmoment) | 3*T2N (3 mal das Nenndrehmoment) | 3*T2N (3 mal das Nenndrehmoment) | 3*T2N (3 mal das Nenndrehmoment) | |
| Nenneingangsgeschwindigkeit | U/min | 1&2 | 3000 | 3000 | 3000 | 3000 | 2000 | 1500 | 1000 |
| Maximale Eingangsgeschwindigkeit | U/min | 1&2 | 6000 | 6000 | 6000 | 6000 | 4000 | 3000 | 2000 |
| P1 – Bogenmin | 1 | 10 | 6 | 6 | 6 | 6 | 6 | 10 | |
| Präzisionsklasse | 2 | 12 | 8 | 8 | 8 | 8 | 8 | 12 | |
| P2 – Bogenmin | 1 | 16 | 8 | 8 | 8 | 8 | 8 | 16 | |
| 2 | 18 | 10 | 10 | 10 | 10 | 10 | 18 | ||
| Lärm | dB(A) | 1&2 | 58 | 60 | 60 | 63 | 65 | 72 | 75 |
| Zulässige maximale Radiallast | N | 1&2 | 205 | 950 | 1600 | 2900 | 5700 | 8500 | 9200 |
| Zulässige maximale Axiallast | N | 1&2 | 340 | 740 | 1500 | 1950 | 3150 | 5800 | 7200 |
| Effizienz | % | 1 | ≥97 % | ≥97 % | ≥97 % | ≥97 % | ≥97 % | ≥97 % | ≥97 % |
| 2 | ≥94 % | ≥94 % | ≥94 % | ≥94 % | ≥94 % | ≥94 % | ≥94 % | ||
| Betriebsumgebungstemperatur | ℃ | 1&2 | < – 15℃, >40℃> | < – 15℃, >40℃> | < – 15℃, >40℃> | < – 15℃, >40℃> | < – 15℃, >40℃> | < – 15℃, >40℃> | < – 15℃, >40℃> |
| Lebensdauer | H | 1&2 | ≥20000 | ≥20000 | ≥20000 | ≥20000 | ≥20000 | ≥20000 | ≥20000 |
| Schmierung | 1&2 | Synthetisches Fett (kostenlose Wartung) | Synthetisches Fett (kostenlose Wartung) | Synthetisches Fett (kostenlose Wartung) | Synthetisches Fett (kostenlose Wartung) | Synthetisches Fett (kostenlose Wartung) | Synthetisches Fett (kostenlose Wartung) |
Übersichtstabelle des IB-Trägheitsmoments

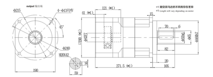
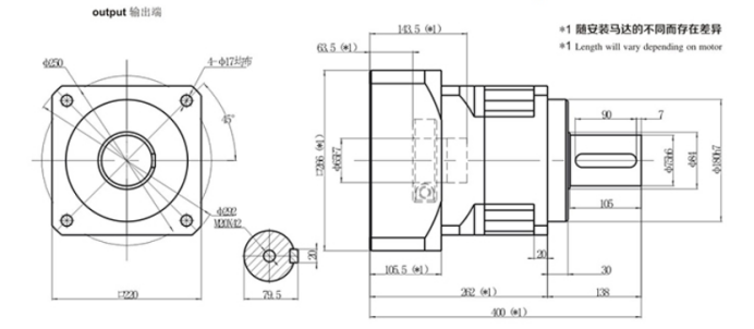
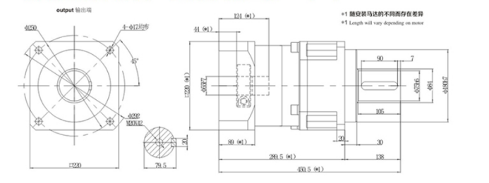
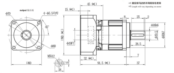
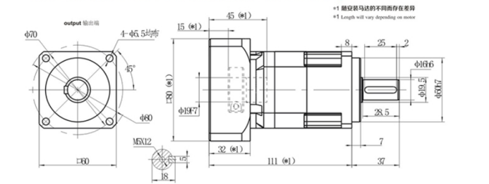
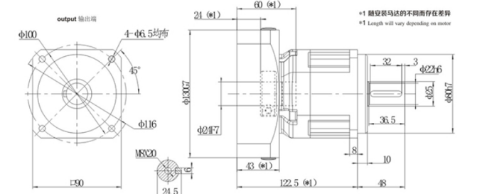
Mehrere Ausgabemodi des Reduzierers
































