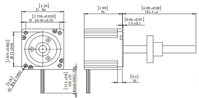
1.8°Dimensione 86mm(34H) Attuatori lineari per motori passo-passo con viti a ricircolo di sfere
$0.00
Technical Parameter

- Descrizione
Descrizione
Applicazione
Textile machinery, engraving machine
Sicurezza, 4g antenna, solar energy
Medical equipment, industrial automation
Automobile, office automation
Printing equipment, advertising equipment etc.
Specifica tecnica:

External drive type Stepper motor Specifica

Through type Motore delle steppe Dimensione

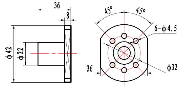
Screw Nut Diameter12mm External Drive Motor

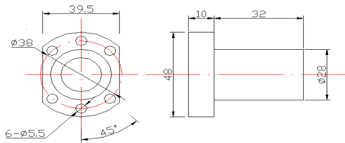
Screw Nut Diameter 16mm External Drive Motor











