39BYGH 1.8° two-phase open-loop stepper motor
$0.00
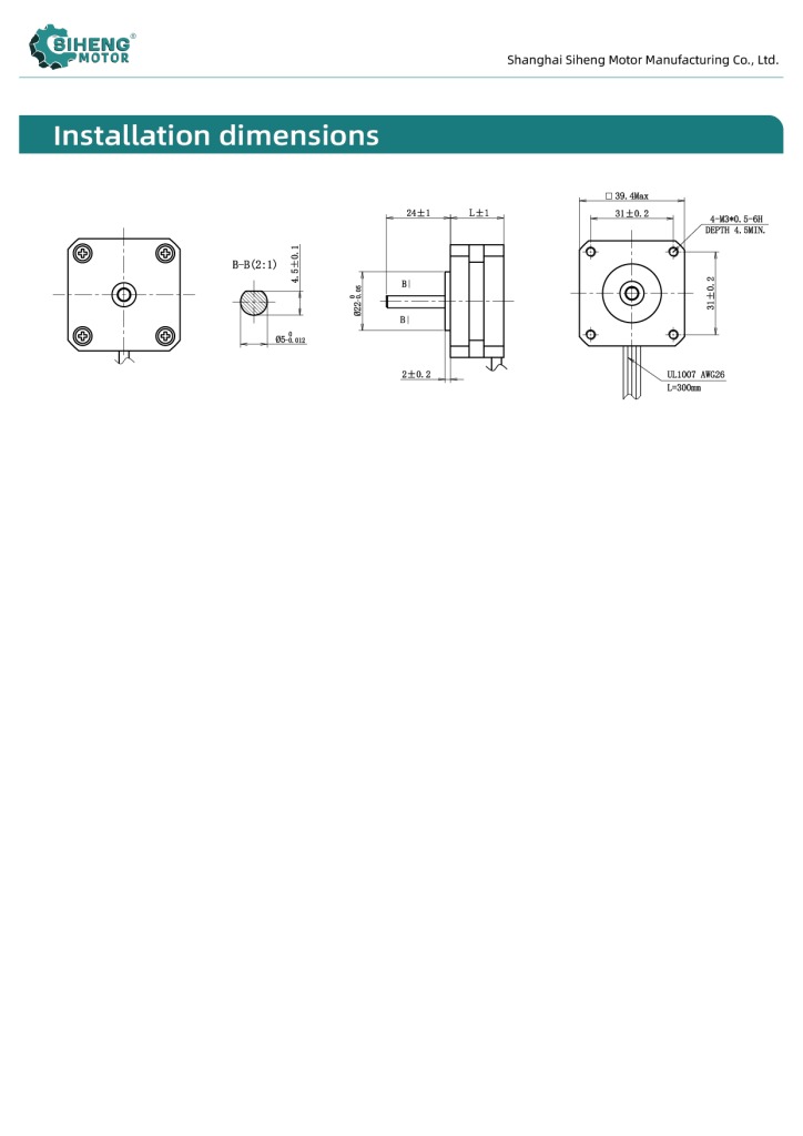
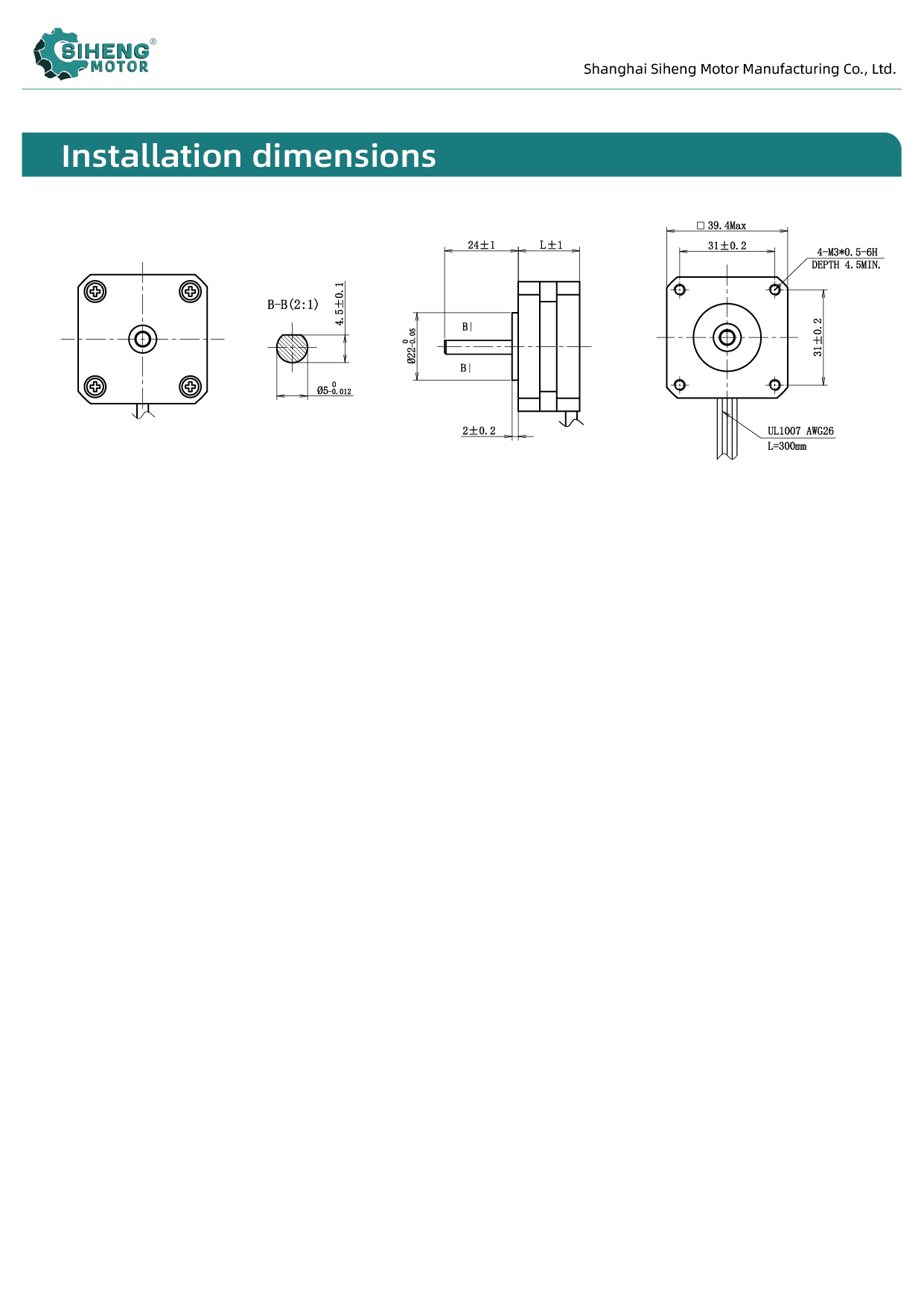
It is a 1.8° two-phase open-loop stepper motor from Shanghai Siheng Motor Manufacturing Co., Ltd., available in 4 models (39BYGH220-0404 to 39BYGH244-0304). Key specs: rated voltage 2.4-12V, rated current 0.16-0.6A, holding torque 0.65-2.8 kg·cm, weight 120-250g, motor length 20-44mm. It adopts Class B insulation, constant current drive (24V), 2-phase excitation, with 500V insulation voltage and 100Ω insulation resistance. It meets RoHS requirements, applies to robotics, 3D printers, etc., and has torque-speed curves, color-coded wiring, and detailed installation dimensions.





















