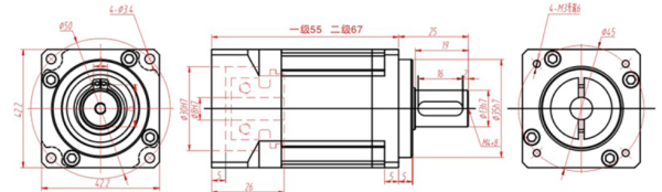
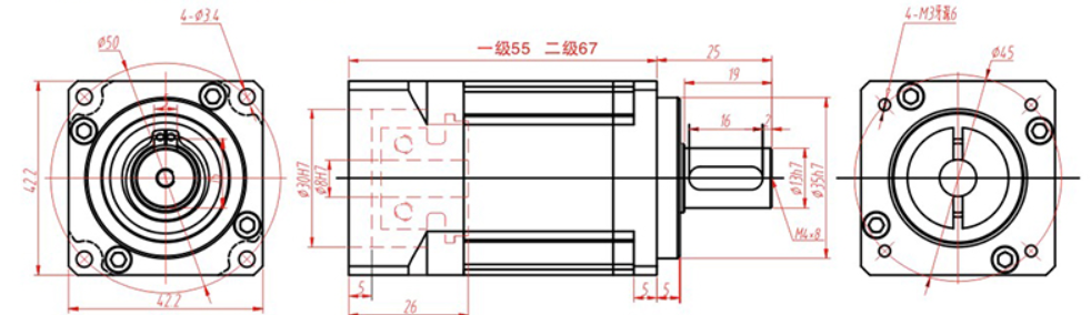
Série standard PF42
Le support planétaire de sortie du réducteur adopte un écrou intégré pour éliminer la conception du jeu axial. Les roulements avant et arrière sont répartis sur une grande portée à l'intérieur du corps de boîte intégré, formant une structure intégrée ultra-résistante pour assurer une rigidité en torsion élevée, charge radiale ultra-forte – capacité de charge et excellente charge axiale – capacité de charge. Celui – le processus de traitement et d'achèvement du temps est adopté pour garantir une coaxialité extrêmement élevée.
- Description



















