1.8°Tamanho 28mm(11H) Atuadores lineares de motor de passo híbrido
$0.00
Parâmetro Técnico

- Descrição
Descrição
Aplicativo
Textile machinery, engraving machine
Segurança, 4g antenna, solar energy
Equipamento médico, industrial automation
Automobile, office automation
Printing equipment, advertising equipment etc.
Especificação técnica:

Screw Rod Specification


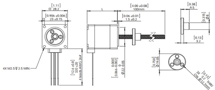
Well Versed in Shaft Stepper motor Dimension

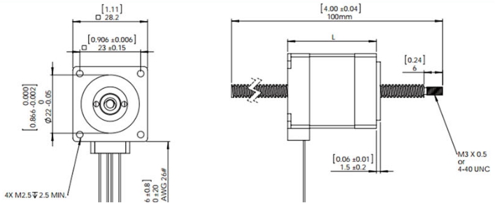
External Drive Type Stepper motor Dimension

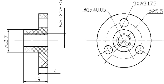
Screw Nut Diameter 6.35mm External Drive Motor

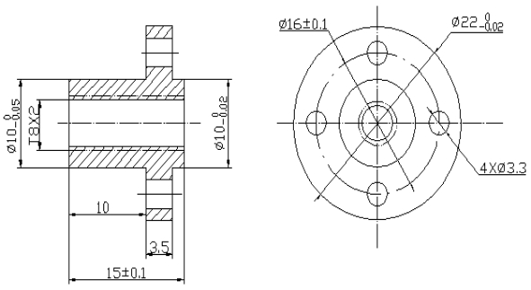
Screw Nut Diameter 8mm External Drive Motor

















