1.8°Tamanho 86mm(34H) 2 Motor de passo de fase com caixa de velocidades
$0.00
Parâmetro Técnico

- Descrição
Descrição
Aplicativo
Textile machinery, engraving machine
Segurança, 4g antenna, solar energy
Equipamento médico, industrial automation
Automobile, office automation
Printing equipment, advertising equipment etc.
Especificação técnica:

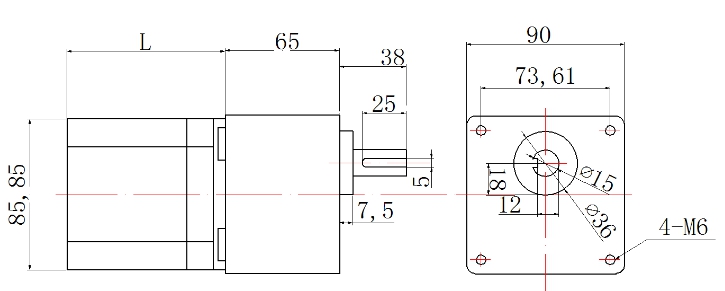
Dimensão













